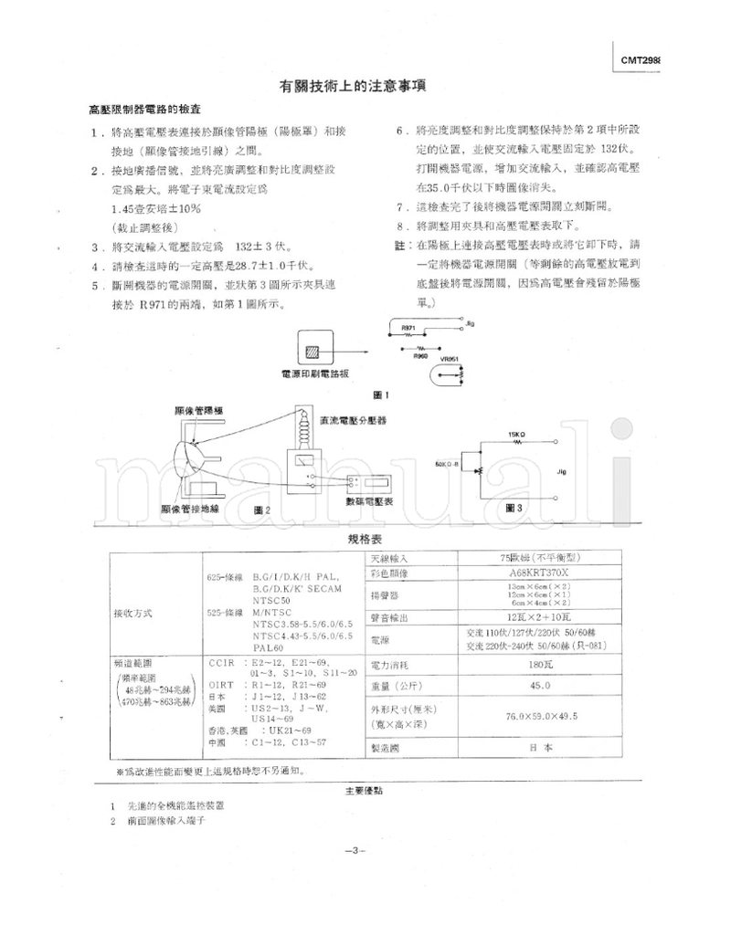
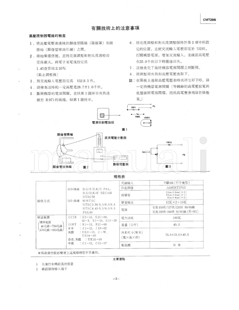
1
/
of
3
Share
Hitachi CMT2988-981 (39 pages) TV Service Manual
Hitachi CMT2988-981 (39 pages) TV Service Manual
Regular price
$14.95 USD
Regular price
Sale price
$14.95 USD
Unit price
/
per
Shipping calculated at checkout.
Couldn't load pickup availability
Total Pages: 39
For models:
Physical or PDF Download?
Physical or PDF Download?
Please note: You can select whether you want the Physical Copy or the PDF Download (Digital Copy) by selecting the Type above. If you select the PDF Download, we will only email you the PDF version. If you select the Physical Copy, we will mail you a high quality and bound soft-copy of the manual.
- Digital Versions are emailed to you within 24 hours.
- Physical Versions are shipped within 1 business day, and will take up to 5 days for delivery.
What's included with your purchase?
What's included with your purchase?
You will receive a professionally printed and bound 8.5 x 11" professionally printed soft-cover copy or a high-quality PDF emailed directly to you. Feel free to call or use our contact us page if you have any questions. If you want both, please add both items to cart individually.
About Us
About Us
Manuali.com -. We offer a large selection of ever-growing service manuals and operating manuals for all types of devices and brands. We offer professional printing service. We are committed to providing outstanding customer service and high-quality work.
